当前所在位置:首页>产品中心>应变片>C 系列>XC1 0/90°T 型应变片

XC1 0/90°T 型应变片

所属品牌:HBM

产品型号:XC1

德国HBM XC1 0/90°T 型片镍铬合金应变片,耐温设计,即使在特殊的温度下,即使在-269°C 极低温度下也能精确测量。C系列应变片具有极宽的温度范围和优异的性价比。有三种不同的几何结构,可用于研发、汽车工业、发电厂和超导等领域。

  • 商品描述
  • 商品询价热度

HBM XC1 0/90°T 型片镍铬合金应变片

 XC1 0/90°T 型片镍铬合金应变片


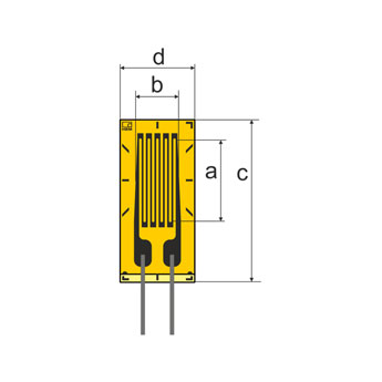
HBM XC1 0/90°T 型片应变片参数


型号

额定电阻

尺寸[mm/inch]

激励电压 

接线端子

 

 

推荐类型

测量栅丝

基底

Ω

a

b

c

d

1-XC1x-1.5/350

350

1.5
0.059

1.5
0.059
6
0.236
8.4
0.331
6LS5-

1-XC1x-3/350

350

3
0.118

3.3
0.13
10
0.394
10
0.394
10LS71

1-XC1x-6/350

350

6
0.236

6.4
0.252
16
0.63
18
0.709
20LS4-


今日已有    0013    人询价

发送邮件

商品评价